→ PRODUCTS

We are regular suppliers from China for ANSI/ASME B16.9 90° Long Radius Elbow
|
|
Home / Products / Butt-Welding Fittings / ANSI/ASME B16.9 90° Long Radius Elbow
We are one-stop platform that is trusted for manufacturing and export of best quality ANSI B16.9 90° ELBOWS for catering to the needs of diverse industries. These ANSI B16.9 90° ELBOWS are fabricated from best quality metals and available in long radius. These ANSI B16.9 90° ELBOWS are highly appreciated by our esteemed clients for its corrosion resistance and accurate dimension features.
ANSI/ASME B16.9 90° Long Radius Elbow

| Standards: |
ANSI - B 16.9
ASTM A403 - ASME SA403 - 'Standard Specification for Wrought Austenitic Stainless Steel Piping Fittings'
API 590-605
ASME B16.9 - 'Factory-Made Wrought Buttwelding Fittings''
ASME B16.25 - 'Buttwelding Ends'
ASME B16.28 - 'Wrought Steel Buttwelding Short Radius Elbows and Returns'
MSS SP-43 - 'Wrought and Fabricated Butt-Welding Fittings for Low Pressure, Corrosion Resistant Applications' |
| Schedule: |
Sch 5 TO Sch XXS. |
| Sizes: |
Diameters - from 21,3 to 711 mm.
Wall Thickness - from 2 to 40 mm. |
| Materials: |
Monel, Nickel, Inconel, Hastalloy, Titanium, Tantalum, Stainless Steel, Alloy Steel, Carbon Steel, Cupro-Nickel 90/10 & 70/30
Stainless Steel ASME / ASTM SA / A403 SA / A 774 WP-S, WP-W, WP-WX, 304, 304L, 316, 316L, 304/304L, 316/316L, DIN 1.4301, DIN1.4306, DIN 1.4401, DIN 1.4404 |
| Type: |
Butt Weld (BW) |
| Thickness: |
Schedule 5S, 10S, 20S, S10, S20, S30, STD, 40S, S40, S60, XS, 80S, S80, S100, S120, S140, S160, XXS and etc. |
| Dimension: |
ANSI B16.9, ANSI B16.28, MSS-SP-43 Type A, MSS-SP-43 Type B, JIS B2312, JIS B2313 |

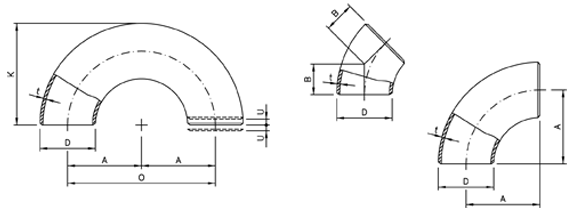
Dimensions

| LONG RADIUS ELBOWS (R = 1,5 ND) ANSI B 16.9 dimensions |
| inches |
ND |
mm |
Center to center |
Radius |
Center to end |
Back to face |
| D |
O |
A |
B |
K |
| 1/2 |
15 |
21,34 |
76,20 |
38,10 |
15,87 |
47,62 |
| 3/4 |
20 |
26,67 |
57,15 |
28,57 |
11,11 |
42,86 |
| 1 |
25 |
33,40 |
76,20 |
38,10 |
22,22 |
55,56 |
| 1 1/4 |
32 |
42,16 |
95,25 |
47,60 |
25,40 |
69,85 |
| 1 1/2 |
40 |
48,26 |
114,30 |
57,15 |
28,57 |
82,55 |
| 2 |
50 |
60,32 |
152,40 |
76,20 |
34,92 |
106,40 |
| 2 1/2 |
65 |
73,02 |
190,50 |
95,25 |
44,45 |
131,80 |
| 3 |
80 |
88,90 |
228,60 |
114,30 |
50,80 |
158,75 |
| 3 1/2 |
90 |
101,60 |
266,70 |
133,35 |
57,15 |
184,15 |
| 4 |
100 |
114,30 |
304,80 |
152,40 |
63,50 |
209,55 |
| 5 |
125 |
141,30 |
381,00 |
190,50 |
79,38 |
261,90 |
| 6 |
150 |
168,27 |
457,20 |
228,60 |
95,25 |
312,70 |
| 8 |
200 |
219,07 |
609,60 |
304,80 |
127,00 |
414,30 |
| 10 |
250 |
273,05 |
762,00 |
381,00 |
158,75 |
517,50 |
| 12 |
300 |
323,85 |
914,40 |
457,20 |
190,50 |
619,10 |
| 14 |
350 |
355,60 |
1066,80 |
533,40 |
222,25 |
711,20 |
| 16 |
400 |
406,40 |
1219,20 |
609,60 |
254,00 |
812,80 |
| 18 |
450 |
457,20 |
1371,60 |
685,80 |
285,74 |
914,40 |
| 20 |
500 |
508,00 |
1524,00 |
762,00 |
317,50 |
1016,00 |
| 22 |
550 |
558,80 |
1676,40 |
838,20 |
342,90 |
1117,60 |
| 24 |
600 |
609,60 |
1828,80 |
914,40 |
381,00 |
1219,20 |
| 28 |
700 |
711,20 |
2133,60 |
1066,80 |
441,90 |
1422,40 |
| Dimensions in mm. |
ELBOWS - Ansi 16.9 tolerances

| DIMENSIONAL TOLERANCES - ELBOWS |
| For all fittings |
Elbows 90/45 deg |
180° Returns |
| Nominal Pipe Size (NPS) |
Outside Ø
at Bevel |
Inside Ø
at End |
Wall Thickness
t / t1 |
Center to End Dim. A-B-C-M |
Center to Center Dim.
O |
Back to Face Dim.
K |
Align- ment of Ends
U |
| 1/2 a 2 1/2 |
1 |
0,8 |
Not |
2 |
7 |
7 |
1 |
| 3 a 3 1/2 |
1 |
1,6 |
less |
2 |
7 |
7 |
1 |
| 4 |
+2 -1 |
1,6 |
than |
2 |
7 |
7 |
1 |
| 5 a 6 |
+3 -1 |
1,6 |
87,50% |
2 |
7 |
7 |
1 |
| 8 |
2 |
1,6 |
of nominal |
2 |
7 |
7 |
1 |
| 10 |
+4 -3 |
3,2 |
tickness |
2 |
7 |
7 |
2 |
| 12 a 18 |
+4 -3 |
3,2 |
|
3 |
10 |
7 |
2 |
| 20 a 24 |
+6 -5 |
4,8 |
|
3 |
10 |
7 |
2 |
| 26 a 30 |
+7 -5 |
4,8 |
|
3 |
..... |
..... |
..... |
| 32 a 48 |
+7 -5 |
4,8 |
|
5 |
..... |
..... |
..... |
| Angularity Tolerances |
| ND |
Max off angle |
Max off plane |
| Q |
P |
| 1/2 a 4 |
1 |
2 |
| 5 a 8 |
2 |
4 |
| 10 a 12 |
3 |
5 |
| 14 a 16 |
3 |
7 |
| 18 a 24 |
4 |
10 |
| 26 a 30 |
5 |
10 |
| 32 a 42 |
5 |
13 |
| 44 a 48 |
5 |
20 |
ELBOWS - Weights
| WEIGHTS OF FITTINGS |
NPS
inches |
ELBOWS
LR 90° |
ELBOWS
SR 90° |
Sch.
5S |
Sch.
10S |
Sch.
40S |
Sch.
80S |
Sch.
5S |
Sch.
10S |
Sch.
40S |
Sch.
80S |
| 1/2 |
0.05 |
0.06 |
0.08 |
0.10 |
0.03 |
0.04 |
0.05 |
0.07 |
| 3/4 |
0.06 |
0.07 |
0.09 |
0.11 |
0.04 |
0.05 |
0.06 |
0.07 |
| 1 |
0.09 |
0.15 |
0.18 |
0.20 |
0.06 |
0.10 |
0.12 |
0.13 |
| 1 1/4 |
0.13 |
0.20 |
0.25 |
0.35 |
0.09 |
0.13 |
0.17 |
0.12 |
| 1 1/2 |
0.18 |
0.30 |
0.40 |
0.50 |
0.12 |
0.20 |
0.27 |
0.33 |
| 2 |
0.30 |
0.50 |
0.70 |
0.90 |
0.20 |
0.33 |
0.47 |
0.60 |
| 2 1/2 |
0.60 |
0.85 |
1.35 |
1.80 |
0.40 |
0.60 |
0.90 |
1.20 |
| 3 |
0.90 |
1.30 |
2.00 |
2.90 |
0.60 |
0.90 |
1.35 |
1.90 |
| 4 |
1.40 |
2.00 |
4.00 |
5.90 |
0.90 |
1.35 |
2.65 |
3.90 |
| 5 |
2.90 |
3.60 |
6.50 |
9.70 |
1.95 |
2.40 |
4.35 |
6.50 |
| 6 |
4.00 |
5.00 |
10.5 |
16.0 |
2.70 |
3.35 |
7.00 |
10.5 |
| 8 |
7.40 |
10.0 |
21.5 |
33.5 |
4.90 |
6.70 |
14.5 |
22.5 |
| 10 |
13.6 |
16.8 |
38.5 |
52.5 |
9.10 |
11.2 |
25.6 |
35.0 |
| 12 |
23.4 |
27.0 |
59.0 |
79.0 |
15.6 |
18.0 |
39.5 |
53.0 |
| 14 |
29.0 |
35.0 |
70.0 |
94.0 |
19.3 |
23.5 |
47.0 |
63.0 |
| 16 |
41.3 |
47.0 |
95.0 |
125 |
27.5 |
31.5 |
63.5 |
84.0 |
| 18 |
51.8 |
59.0 |
120 |
158 |
34.5 |
39.5 |
80.0 |
105 |
| 20 |
73.0 |
85.0 |
146 |
194 |
49.0 |
57.0 |
98.0 |
129 |
| 24 |
122 |
140 |
210 |
282 |
82.0 |
94.0 |
140 |
188 |
| Approximate weights in kg, density 8 kg/dm3 |
ELBOWS - End welding bevels

Main Export Market
- Eastern Europe
- North America
- Mid East/Africa
- Central/South America
- Asia
- Western Europe
- Australasia
- UAE
Sales Locations
U.A.E,
Oman,
Saudi Arabia,
Qatar,
Bahrain,
Egypt,
Turkey
Singapore,
Thailand,
Malaysia
Indonesia
Poland
Italy
Portugal
Spain
Brazil
Chile
Venezuela
Costa Rica
USA
Canada
Angola
Sri Lanka
Russia
|