→ PRODUCTS

We are regular suppliers from China for ANSI/ASME B16.9 Butt welding Reducing Nipple
|
|
Home / Products / Butt-Welding Fittings / ANSI/ASME B16.9 Butt welding Reducing Nipple
Welding Reducing Nipple which are quality tested. Our products are manufactured using high grade raw material, which are obtained from well known vendors. These Welding Nipple are widely demanded as they are able to withstand high temperature and pressure. Further, our range is available in different specifications such as tube connection and reduced tube connection.
ANSI/ASME B16.9 Butt welding Reducing Nipple

| Standards: |
ANSI - B 16.9
ASTM A403 - ASME SA403 - 'Standard Specification for Wrought Austenitic Stainless Steel Piping Fittings'
API 590-605
ASME B16.9 - 'Factory-Made Wrought Buttwelding Fittings''
ASME B16.25 - 'Buttwelding Ends'
ASME B16.28 - 'Wrought Steel Buttwelding Short Radius Elbows and Returns'
MSS SP-43 - 'Wrought and Fabricated Butt-Welding Fittings for Low Pressure, Corrosion Resistant Applications' |
| Schedule: |
Sch 5 TO Sch XXS. |
| Sizes: |
1/2” TO 36”
(SEAMLESS UPTO 24”)
(WELDED 8” TO 36” ) |
| Materials: |
Monel, Nickel, Inconel, Hastalloy, Titanium, Tantalum, Stainless Steel, Alloy Steel, Carbon Steel, Cupro-Nickel 90/10 & 70/30
Stainless Steel ASME / ASTM SA / A403 SA / A 774 WP-S, WP-W, WP-WX, 304, 304L, 316, 316L, 304/304L, 316/316L, DIN 1.4301, DIN1.4306, DIN 1.4401, DIN 1.4404 |
| Type: |
Butt Weld (BW) |
| Thickness: |
Schedule 5S, 10S, 20S, S10, S20, S30, STD, 40S, S40, S60, XS, 80S, S80, S100, S120, S140, S160, XXS and etc. |
| Dimension: |
ANSI B16.9, ANSI B16.28, MSS-SP-43 Type A, MSS-SP-43 Type B, JIS B2312, JIS B2313 |

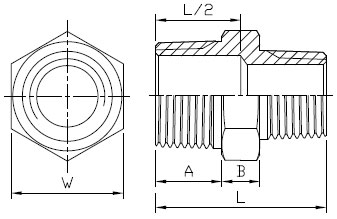
Dimensions
1/4"~2" Hexagon
2-1/2"~4" Octagon

| Standard Pattern |
Economic Pattern |
| SIZE |
A |
B |
L |
W |
| mm |
in |
mm |
in |
mm |
in |
mm |
in |
| 1/4" |
1/8" |
13 |
0.51 |
6 |
0.24 |
31 |
1.22 |
15.1 |
0.59 |
| 3/8" |
1/8" |
14 |
0.55 |
7 |
0.28 |
34 |
1.34 |
18.6 |
0.73 |
| 1/4" |
14 |
0.55 |
7 |
0.28 |
34 |
1.34 |
18.6 |
0.73 |
| 1/2" |
1/8" |
16.5 |
0.65 |
8 |
0.31 |
36.5 |
1.44 |
23 |
0.91 |
| 1/4" |
16.5 |
0.65 |
8 |
0.31 |
36.5 |
1.44 |
23 |
0.91 |
| 3/8" |
16.5 |
0.65 |
8 |
0.31 |
36.5 |
1.44 |
23 |
0.91 |
| 3/4" |
1/8" |
16 |
0.63 |
8 |
0.31 |
40 |
1.57 |
29 |
1.14 |
| 1/4" |
16 |
0.63 |
8 |
0.31 |
40 |
1.57 |
29 |
1.14 |
| 3/8" |
17 |
0.67 |
8 |
0.31 |
41 |
1.61 |
28.5 |
1.12 |
| 1/2" |
17 |
0.67 |
8 |
0.31 |
41.5 |
1.63 |
28.5 |
1.12 |
| 1" |
1/4" |
20 |
0.79 |
9 |
0.35 |
41 |
1.61 |
35.4 |
1.39 |
| 3/8" |
20 |
0.79 |
9 |
0.35 |
42.5 |
1.67 |
35.4 |
1.39 |
| 1/2" |
20 |
0.79 |
9 |
0.35 |
45 |
1.77 |
35.4 |
1.39 |
| 3/4" |
20 |
0.79 |
9 |
0.35 |
45 |
1.77 |
35.4 |
1.39 |
| 1-1/4" |
1/4" |
21 |
0.83 |
10 |
0.39 |
42 |
1.65 |
44.5 |
1.75 |
| 3/8" |
21 |
0.83 |
10 |
0.39 |
47 |
1.85 |
44.5 |
1.75 |
| 1/2" |
21 |
0.83 |
10 |
0.39 |
49 |
1.93 |
44.5 |
1.75 |
| 3/4" |
21 |
0.83 |
10 |
0.39 |
49 |
1.93 |
44.5 |
1.75 |
| 1" |
22 |
0.87 |
10 |
0.39 |
52 |
2.05 |
44.5 |
1.75 |
| 1-1/2" |
1/4" |
20 |
0.79 |
10.5 |
0.41 |
42.5 |
1.65 |
51 |
2.01 |
| 3/8" |
21 |
0.83 |
10 |
0.39 |
47 |
1.85 |
50 |
1.97 |
| 1/2" |
21 |
0.83 |
10 |
0.39 |
49 |
1.93 |
50 |
1.97 |
| 3/4" |
21 |
0.83 |
10 |
0.39 |
49 |
1.93 |
50 |
1.97 |
| 1" |
21.5 |
0.85 |
11 |
0.39 |
52.5 |
2.07 |
50 |
1.97 |
| 1-1/4" |
22 |
0.87 |
11 |
0.43 |
55 |
2.17 |
51 |
2.01 |
| 2" |
3/8" |
23 |
0.91 |
11 |
0.43 |
52 |
2.05 |
61.5 |
2.42 |
| 1/2" |
23 |
0.91 |
11 |
0.43 |
52 |
2.05 |
61.5 |
2.42 |
| 3/4" |
23 |
0.91 |
11 |
0.43 |
41.5 |
1.63 |
61.5 |
2.42 |
| 1" |
23 |
0.91 |
11 |
0.43 |
53.5 |
2.11 |
61.5 |
2.42 |
| 1-1/4" |
23 |
0.91 |
11 |
0.43 |
56 |
2.2 |
61.5 |
2.42 |
| 1-1/2" |
23 |
0.91 |
11 |
0.43 |
55.5 |
2.19 |
61.5 |
2.42 |
| 2-1/2" |
3/4" |
27.5 |
1.08 |
13 |
0.51 |
64 |
2.52 |
78 |
3.07 |
| 1" |
27.5 |
1.08 |
13 |
0.51 |
63.5 |
2.5 |
78 |
3.07 |
| 1-1/4" |
27.5 |
1.08 |
13 |
0.51 |
63.5 |
2.5 |
78 |
3.07 |
| 1-1/2" |
27.5 |
1.08 |
13 |
0.51 |
63.5 |
2.5 |
78 |
3.07 |
| 2" |
27.5 |
1.08 |
13 |
0.51 |
65.5 |
2.58 |
78 |
3.07 |
| 3" |
1-1/2" |
28 |
1.1 |
15 |
0.59 |
68 |
2.68 |
92 |
3.62 |
| 2" |
28 |
1.1 |
15 |
0.59 |
68.5 |
2.7 |
93 |
3.66 |
| 2-1/2" |
28.5 |
1.12 |
15 |
0.59 |
71 |
2.8 |
92 |
3.62 |
| 4" |
2" |
30 |
1.18 |
15 |
0.59 |
75 |
2.95 |
117 |
4.61 |
| 2-1/2" |
30 |
1.18 |
15 |
0.59 |
75 |
2.95 |
117 |
4.61 |
| 3" |
30 |
1.18 |
15 |
0.59 |
75 |
2.95 |
117 |
4.61 |
Tolerance: +0.5mm(1/8"~2")
+0.8mm(2-1/2"~4") |
|
| SIZE |
A |
B |
L |
W |
| mm |
in |
mm |
in |
mm |
in |
mm |
in |
| 1/4" |
1/8" |
11 |
0.43 |
6 |
0.24 |
29 |
1.14 |
15 |
0.59 |
| 3/8" |
1/8" |
12 |
0.47 |
7 |
0.28 |
31 |
1.22 |
18 |
0.71 |
| 1/4" |
12 |
0.47 |
7 |
0.28 |
32 |
1.26 |
18 |
0.71 |
| 1/2" |
1/8" |
14 |
0.55 |
7 |
0.28 |
34 |
1.34 |
23 |
0.91 |
| 1/4" |
14 |
0.55 |
7 |
0.28 |
35 |
1.38 |
23 |
0.91 |
| 3/8" |
14 |
0.55 |
7 |
0.28 |
36 |
1.42 |
23 |
0.91 |
| 3/4" |
1/8" |
14 |
0.55 |
7 |
0.28 |
34 |
1.34 |
29 |
1.14 |
| 1/4" |
14 |
0.55 |
7 |
0.28 |
35 |
1.38 |
29 |
1.14 |
| 3/8" |
14 |
0.55 |
7 |
0.28 |
36 |
1.42 |
29 |
1.14 |
| 1/2" |
14 |
0.55 |
7 |
0.28 |
39 |
1.54 |
29 |
1.14 |
| 1" |
1/4" |
17.5 |
0.69 |
9 |
0.35 |
41 |
1.61 |
35 |
1.38 |
| 3/8" |
17.5 |
0.69 |
9 |
0.35 |
42 |
1.65 |
35 |
1.38 |
| 1/2" |
17.5 |
0.69 |
9 |
0.35 |
45 |
1.77 |
35 |
1.38 |
| 3/4" |
17.5 |
0.69 |
9 |
0.35 |
45 |
1.77 |
35 |
1.38 |
| 1-1/4" |
1/4" |
18 |
0.71 |
10 |
0.39 |
42 |
1.65 |
45 |
1.77 |
| 3/8" |
18 |
0.71 |
10 |
0.39 |
43 |
1.69 |
45 |
1.77 |
| 1/2" |
18 |
0.71 |
10 |
0.39 |
46 |
1.81 |
45 |
1.77 |
| 3/4" |
18 |
0.71 |
10 |
0.39 |
46 |
1.81 |
45 |
1.77 |
| 1" |
18 |
0.71 |
10 |
0.39 |
50 |
1.97 |
45 |
1.77 |
| 1-1/2" |
1/4" |
18.5 |
0.73 |
10.5 |
0.41 |
42.5 |
1.67 |
50 |
1.97 |
| 3/8" |
18.5 |
0.73 |
10.5 |
0.41 |
43.5 |
1.71 |
50 |
1.97 |
| 1/2" |
18.5 |
0.73 |
10.5 |
0.41 |
46.5 |
1.83 |
50 |
1.97 |
| 3/4" |
18.5 |
0.73 |
10.5 |
0.41 |
46.5 |
1.83 |
50 |
1.97 |
| 1" |
18.5 |
0.73 |
10.5 |
0.41 |
50.5 |
1.99 |
50 |
1.97 |
| 1-1/4" |
18.5 |
0.73 |
10.5 |
0.41 |
50.5 |
1.99 |
50 |
1.97 |
| 2" |
3/8" |
20 |
0.79 |
11 |
0.43 |
45 |
1.77 |
62 |
2.44 |
| 1/2" |
20 |
0.79 |
11 |
0.43 |
48 |
1.89 |
62 |
2.44 |
| 3/4" |
20 |
0.79 |
11 |
0.43 |
48 |
1.89 |
62 |
2.44 |
| 1" |
20 |
0.79 |
11 |
0.43 |
52 |
2.05 |
62 |
2.44 |
| 1-1/4" |
20 |
0.79 |
11 |
0.43 |
52 |
2.05 |
62 |
2.44 |
| 1-1/2" |
20 |
0.79 |
11 |
0.43 |
52 |
2.05 |
62 |
2.44 |
| 2-1/2" |
3/4" |
22.5 |
0.89 |
13 |
0.51 |
52.5 |
2.07 |
78 |
3.07 |
| 1" |
22.5 |
0.89 |
13 |
0.51 |
56.5 |
2.22 |
78 |
3.07 |
| 1-1/4" |
22.5 |
0.89 |
13 |
0.51 |
56.5 |
2.22 |
78 |
3.07 |
| 1-1/2" |
22.5 |
0.89 |
13 |
0.51 |
56.5 |
2.22 |
78 |
3.07 |
| 2" |
22.5 |
0.89 |
13 |
0.51 |
57.5 |
2.26 |
78 |
3.07 |
| 3" |
1-1/2" |
25 |
0.98 |
15 |
0.59 |
61 |
2.4 |
91 |
3.58 |
| 2" |
25 |
0.98 |
15 |
0.59 |
62 |
2.44 |
91 |
3.58 |
| 2-1/2" |
25 |
0.98 |
15 |
0.59 |
64.5 |
2.54 |
91 |
3.58 |
| 4" |
2" |
27 |
1.06 |
15 |
0.59 |
64 |
2.52 |
117 |
4.61 |
| 2-1/2" |
27 |
1.06 |
15 |
0.59 |
66.5 |
2.62 |
117 |
4.61 |
| 3" |
27 |
1.06 |
15 |
0.59 |
69 |
2.72 |
117 |
4.61 |
Tolerance: +0.5mm(1/8"~2")
+0.8mm(2-1/2"~4") |
|
Main Export Market
- Eastern Europe
- North America
- Mid East/Africa
- Central/South America
- Asia
- Western Europe
- Australasia
- UAE
Sales Locations
U.A.E,
Oman,
Saudi Arabia,
Qatar,
Bahrain,
Egypt,
Turkey
Singapore,
Thailand,
Malaysia
Indonesia
Poland
Italy
Portugal
Spain
Brazil
Chile
Venezuela
Costa Rica
USA
Canada
Angola
Sri Lanka
Russia
|