→ PRODUCTS

We are regular suppliers from China for ANSI/ASME B16.9 Lateral Tee
|
|
Home / Products / Butt-Welding Fittings / ANSI/ASME B16.9 Lateral Tee
Over the years of experience in the industry, we have been able to provide the customers with a broad array of Lateral Tee. Fabricated using ultra-grade raw material, advent tools and sophisticated technologies, the range is available in distinctive sizes and specifications, which can also be customized as per the clients' requirements. The raw material used in the production is sourced from reputed vendors such as DuPont.
ANSI/ASME B16.9 Lateral Tee

| Standards: |
ANSI - B 16.9
ASTM A403 - ASME SA403 - 'Standard Specification for Wrought Austenitic Stainless Steel Piping Fittings'
API 590-605
ASME B16.9 - 'Factory-Made Wrought Buttwelding Fittings''
ASME B16.25 - 'Buttwelding Ends'
ASME B16.28 - 'Wrought Steel Buttwelding Short Radius Elbows and Returns'
MSS SP-43 - 'Wrought and Fabricated Butt-Welding Fittings for Low Pressure, Corrosion Resistant Applications' |
| Schedule: |
Sch 5 TO Sch XXS. |
| Sizes: |
1/2” TO 36”
(SEAMLESS UPTO 24”)
(WELDED 8” TO 36” ) |
| Materials: |
Monel, Nickel, Inconel, Hastalloy, Titanium, Tantalum, Stainless Steel, Alloy Steel, Carbon Steel, Cupro-Nickel 90/10 & 70/30
Stainless Steel ASME / ASTM SA / A403 SA / A 774 WP-S, WP-W, WP-WX, 304, 304L, 316, 316L, 304/304L, 316/316L, DIN 1.4301, DIN1.4306, DIN 1.4401, DIN 1.4404 |
| Type: |
Butt Weld (BW) |
| Thickness: |
Schedule 5S, 10S, 20S, S10, S20, S30, STD, 40S, S40, S60, XS, 80S, S80, S100, S120, S140, S160, XXS and etc. |
| Dimension: |
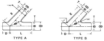
ANSI B16.9, ANSI B16.28, MSS-SP-43 Type A, MSS-SP-43 Type B, JIS B2312, JIS B2313 |

Dimensions
LATERAL SIZE

Nominal
Pipe Size |
TYPE |
Outside
Diameter OD |
STD |
X - S |
NPS |
E & L
|
D
|
T
|
ID
|
E & L
|
D
|
T
|
ID |
1
1¼
1½
|
B
B
B
|
1.315
1.660
1.900
|
5.75
6.25
7.00
|
1.75
1.75
2.00
|
0.133
0.140
0.145
|
1.049
1.380
1.610
|
6.50
7.25
8.50
|
2.00
2.25
2.50
|
0.179
0.191
0.200
|
0.957
1.278
1.500
|
1
1¼
1½
|
2
2½
3
|
A/B
B
B
|
2.375
2.875
3.500
|
8.00
9.50
10.00
|
2.50
2.50
3.00
|
0.154
0.203
0.216
|
2.067
2.469
3.068
|
*8.00
**9.00
10.50
11.00
|
2.50
2.50
3.00
|
0.128
0.276
0.300
|
1.939
2.323
2.900
|
2
2½
3
|
3½
4
5
|
B
A/B
B
|
4.000
4.500
5.562
|
11.50
12.00
13.50
|
3.00
3.00
3.50
|
0.226
0.237
0.258
|
3.548
4.026
5.047
|
12.50
*12.00
**13.50
15.00
|
3.00
3.00
3.50
|
0.318
0.337
0.375
|
3.364
3.826
4.813
|
3½
4
5
|
6
8
10
|
A/B
B
B
|
6.625
8.625
10.750
|
14.50
17.50
20.50
|
3.50
4.50
5.00
|
0.280
0.322
0.365
|
6.065
7.981
10.020
|
*14.50
**17.50
20.50
24.00
|
*3.50
**4.00
5.00
5.50
|
0.432
0.500
0.500
|
5.761
7.625
9.750
|
6
8
10
|
12
14
16
|
B
B
B
|
12.750
14.000
16.000
|
24.50
27.00
30.00
|
5.50
6.00
6.50
|
0.375
0.375
0.375
|
12.000
13.250
15.250
|
27.50
31.00
34.50
|
6.00
6.50
7.50
|
0.500
0.500
0.500
|
11.750
13.000
15.000
|
12
14
16
|
18
20
24
|
B
B
B
|
18.000
20.000
24.000
|
32.00
35.00
40.50
|
7.00
8.00
9.00
|
0.375
0.375
0.375
|
17.250
19.250
23.250
|
37.50
40.50
47.50
|
8.00
8.50
10.00
|
0.500
0.500
0.500
|
17.000
19.000
23.000
|
18
20
24 |
Main Export Market
- Eastern Europe
- North America
- Mid East/Africa
- Central/South America
- Asia
- Western Europe
- Australasia
- UAE
Sales Locations
U.A.E,
Oman,
Saudi Arabia,
Qatar,
Bahrain,
Egypt,
Turkey
Singapore,
Thailand,
Malaysia
Indonesia
Poland
Italy
Portugal
Spain
Brazil
Chile
Venezuela
Costa Rica
USA
Canada
Angola
Sri Lanka
Russia
|