application of quality standards stainless steel threaded pipe fittings

PRODUCTS






         ISO 9001:2008 Certified
ISO 9001:2008 certified company

 

Worldmap | Suppliers of Stainless Steel Industrial & Construction Products Worldwide
We are regular suppliers from China for ASME/ANSI B16.5 Screwed Flanges

 

Home / Products / Flanges / ASME/ANSI B16.5 Screwed Flanges

We manufactures and exports industrial ANSI B16.5 Screwed Flanges that have gained appreciation in the global market. Manufactured as per the international standards, our range of ANSI B16.5 Screwed Flanges is acknowledged for excellent finish, ability to withstand high temperature and corrosion resistance.

ASME/ANSI B16.5 Screwed Flanges

ASME/ANSI B16.5 Screwed Flanges Manufacturer & Exporter

Size Weight (kg)
Flange Table x Thread
"D" – 3" 3" BSP 2.7
"D" – 4" 4" BSP 3.7
"D" – 5" 5" BSP 4.7

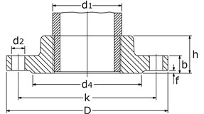
Dimensions

DIN/EN - PN 6

screwed-flanges

screwed-flanges

DIN/EN - PN 10

screwed-flanges

DIN/EN - PN 16

screwed-flanges

DIN/EN - PN 40

screwed-flanges

Main Export Market

  • Eastern Europe
  • North America
  • Mid East/Africa
  • Central/South America
  • Asia
  • Western Europe
  • Australasia
  • UAE

Sales Locations

U.A.E,
Oman,
Saudi Arabia,
Qatar,
Bahrain,
Egypt,
Turkey
Singapore,
Thailand,
Malaysia
Indonesia
Poland
Italy
Portugal
Spain
Brazil
Chile
Venezuela
Costa Rica
USA
Canada
Angola
Sri Lanka
Russia



     
Products
904L Grades
LTCS Grades