application of quality standards stainless steel threaded pipe fittings

PRODUCTS




         ISO 9001:2008 Certified
ISO 9001:2008 certified company

 

Worldmap | Suppliers of Stainless Steel Industrial & Construction Products Worldwide
We are regular suppliers from China for AWWA C207 CLASS 125 LW CLASS B, D FLANGE

 

Home / Products / Flanges / AWWA C207 CLASS 125 LW CLASS B, D FLANGE

We are counted amongst the foremost manufacturer, exporter, trader of Carbon Steel Flanges. Our product range is fabricated from high quality factor inputs as per industry quality standards. These gaskets are reckoned for their durability, performance, dimensional accuracy and longer functional life. Our carbon steel flanges are acclaimed for the application specific design and accurate dimension. These are available at reasonable prices in the market.

AWWA C207 CLASS 125 LW CLASS B, D FLANGE

AWWA C207 CLASS 125 LW CLASS B, D FLANGE Manufacturer & Exporter

 standard No. size  PN Type Material
AWWA C207  4"--144"  Class B,D,E,F T/1  PL

 A105,A181 A36,
A516Gr.60,65,70

Enquiry

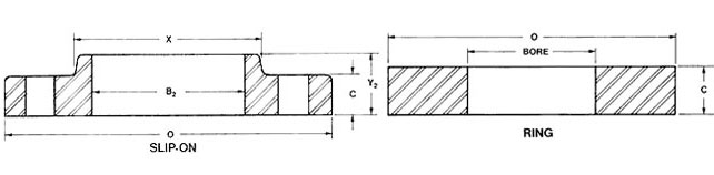
Dimensions & Masses of AWWA C207 Flange Class 125LW Class B, D

AWWA C207 CLASS 125 LW CLASS B, D FLANGE Manufacturer & Exporter

AWWA C207 CLASS 125 LW CLASS B, D FLANGE Manufacturer & Exporter

Main Export Market

  • Eastern Europe
  • North America
  • Mid East/Africa
  • Central/South America
  • Asia
  • Western Europe
  • Australasia
  • UAE

Sales Locations

U.A.E,
Oman,
Saudi Arabia,
Qatar,
Bahrain,
Egypt,
Turkey
Singapore,
Thailand,
Malaysia
Indonesia
Poland
Italy
Portugal
Spain
Brazil
Chile
Venezuela
Costa Rica
USA
Canada
Angola
Sri Lanka
Russia



     
Products
904L Grades
LTCS Grades