→ PRODUCTS
ISO 9001:2008 Certified

We are regular suppliers from China for SABS 1123 Class 1000 Flange
|
|
Home / Products / Flanges / SABS 1123 Class 600 Flange
We are reckoned amongst the prominent Stainless Steel and Duplex Steel flanges manufacturers and exporters of a wide range of Industrial Flanges. These forged flanges are designed in accordance with the industrial standards and are fabricated using quality material. Our flanges are known for excellent performance, resistance against corrosion and durability. Available in standard specifications, our flanges range can also be customized as per the requirements of our clients.
SABS 1123 Class 1000 Flange

- WN Flange: T600/2, T1000/2, T1600/2, T2500/2, T4000/2
- Slip on Flange: T600/5, T1000/5, T1600/5, T2500/5, T4000/5
- Plate Flange: T600/3, T1000/3, T1600/3, T2500/3, T4000/3
- Blind Flange: T600/8, T1000/8, T1600/8, T2500/8, T4000/8
- Threaded Flange: T600/4, T1600/4
- Backing Ring Flange with Hot Dipped Galvanized

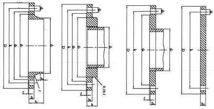
Dimensions
Dimensions & Masses SABS 1123 Flange Class 1000kPa

SOUTH AFRICA STANDARD SABS/SANS 1123 FLANGE CLASS 1000KPA SPECIFICATION
Nominal pressure 1000 kPa 1000/2 = Table 9 1000/4 = Table 11 1000/3 = Table 10 1000/8 = Table 13 |
NB |
Pipe O.D.
d1 |
Flange |
Raised Face |
Bolt |
Drilling |
Neck |
Boss |
|
D |
b |
b1 |
b2 |
b3 |
h |
h1 |
d4 |
f |
No. |
d2 |
k |
d3 |
h2 |
r |
d5 |
10 |
17.2 |
90 |
8 |
10 |
8 |
10 |
14 |
35 |
40 |
2 |
M12 |
4 |
14 |
60 |
28 |
6 |
4 |
30 |
15 |
21.3 |
95 |
8 |
10 |
8 |
10 |
14 |
35 |
45 |
2 |
M12 |
4 |
14 |
65 |
32 |
6 |
4 |
35 |
20 |
26.9 |
105 |
8 |
10 |
8 |
10 |
16 |
38 |
58 |
2 |
M12 |
4 |
14 |
75 |
40 |
6 |
4 |
45 |
25 |
33.7 |
115 |
8 |
10 |
8 |
10 |
16 |
38 |
68 |
2 |
M12 |
4 |
14 |
85 |
46 |
6 |
4 |
52 |
32 |
42.4 |
140 |
10 |
10 |
10 |
10 |
20 |
40 |
78 |
2 |
M16 |
4 |
18 |
100 |
56 |
6 |
6 |
60 |
40 |
48.3 |
150 |
10 |
10 |
10 |
10 |
20 |
42 |
88 |
3 |
M16 |
4 |
18 |
110 |
64 |
7 |
6 |
70 |
50 |
60.3 |
165 |
12 |
10 |
10 |
12 |
20 |
45 |
102 |
3 |
M16 |
4 |
18 |
125 |
75 |
8 |
6 |
85 |
65 |
76.1 |
185 |
12 |
12 |
12 |
12 |
26 |
45 |
122 |
3 |
M16 |
4 |
18 |
145 |
90 |
10 |
6 |
105 |
80 |
88.9 |
200 |
14 |
12 |
12 |
14 |
26 |
50 |
138 |
3 |
M16 |
8 |
18 |
160 |
105 |
10 |
8 |
118 |
100 |
114.3 |
220 |
14 |
12 |
12 |
14 |
32 |
52 |
158 |
3 |
M16 |
8 |
18 |
180 |
131 |
12 |
8 |
140 |
*125 |
139.7 |
250 |
16 |
14 |
14 |
16 |
36 |
55 |
188 |
3 |
M16 |
8 |
18 |
210 |
156 |
12 |
8 |
168 |
150 |
168.3 |
285 |
18 |
16 |
16 |
18 |
38 |
55 |
212 |
3 |
M20 |
8 |
22 |
240 |
184 |
12 |
10 |
195 |
*175 |
193.7 |
315 |
18 |
16 |
- |
18 |
- |
60 |
242 |
3 |
M20 |
8 |
22 |
270 |
210 |
12 |
10 |
- |
200 |
219.1 |
340 |
18 |
18 |
- |
18 |
- |
62 |
268 |
3 |
M20 |
8 |
22 |
295 |
235 |
16 |
10 |
- |
*225 |
244.5 |
370 |
18 |
18 |
- |
18 |
- |
62 |
290 |
3 |
M20 |
8 |
22 |
325 |
265 |
16 |
10 |
- |
250 |
273.0 |
395 |
20 |
20 |
- |
20 |
- |
68 |
320 |
3 |
M20 |
12 |
22 |
350 |
292 |
16 |
12 |
- |
300 |
323.9 |
445 |
22 |
22 |
- |
22 |
- |
68 |
370 |
4 |
M20 |
12 |
22 |
400 |
344 |
16 |
12 |
- |
350 |
355.6 |
505 |
26 |
25 |
- |
25 |
- |
68 |
430 |
4 |
M20 |
16 |
22 |
460 |
385 |
16 |
12 |
- |
400 |
406.4 |
565 |
26 |
25 |
- |
25 |
- |
72 |
482 |
4 |
M24 |
16 |
26 |
515 |
400 |
16 |
12 |
- |
450 |
457.2 |
615 |
28 |
30 |
- |
30 |
- |
72 |
532 |
4 |
M24 |
20 |
26 |
565 |
492 |
16 |
12 |
- |
500 |
508.0 |
670 |
28 |
32 |
- |
32 |
- |
75 |
585 |
4 |
M24 |
20 |
26 |
620 |
542 |
16 |
12 |
- |
550 |
559.0 |
730 |
28 |
35 |
- |
35 |
- |
80 |
635 |
5 |
M24 |
20 |
26 |
675 |
592 |
18 |
12 |
- |
600 |
609.6 |
780 |
28 |
38 |
- |
38 |
- |
80 |
685 |
5 |
M24 |
20 |
26 |
725 |
642 |
18 |
12 |
- |
| * NP = Nominal Pressure 600kPa, 1000kPa, 1600kPa, 2500kPa, 4000kPa |
Main Export Market
- Eastern Europe
- North America
- Mid East/Africa
- Central/South America
- Asia
- Western Europe
- Australasia
- UAE
Sales Locations
U.A.E,
Oman,
Saudi Arabia,
Qatar,
Bahrain,
Egypt,
Turkey
Singapore,
Thailand,
Malaysia
Indonesia
Poland
Italy
Portugal
Spain
Brazil
Chile
Venezuela
Costa Rica
USA
Canada
Angola
Sri Lanka
Russia
|