→ PRODUCTS
ISO 9001:2008 Certified

We are regular suppliers from China for Welding Neck Flange
|
|
Home / Products / Flanges / Welding Neck Flange
We feel proud to introduce ourselves as one of the leading firms in offering a broad array of Welding Neck Flange that is offered in varied specification as per the needs of our esteemed client. Offered neck flange is manufactured from high grade quality raw material. This product can be customized as per our precious customer’s specifications. Further, we offer this product at rock bottom price to our clients.
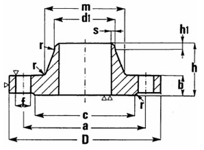
Welding Neck Flange


Dimensions

Dimensions & Masses of UNI 2280 PN6 WNRF FLANGE
| ITALIAN STANDARDS UNI 2280 WELD NECK FLANGE RF PN 6 |
| Directions for the designation |
d1 |
a |
b |
D |
f |
h |
h1 |
m |
r |
s |
Holes |
Screws |
Weight* |
Rated
Diameter |
External diameter
of the pipe |
Kg |
| 15 |
20 |
21 |
55 |
12 |
80 |
11 |
30 |
6 |
28 |
4 |
2,5 |
4 |
M 10 |
0,45 |
| 21,3 |
22,5 |
30 |
0,45 |
| 20 |
25 |
26 |
65 |
14 |
90 |
11 |
32 |
6 |
35 |
4 |
2,5 |
4 |
M 10 |
0,66 |
| 26,9 |
28 |
38 |
0,66 |
| 25 |
30 |
31 |
75 |
14 |
100 |
11 |
35 |
6 |
40 |
4 |
2,8 |
4 |
M 10 |
0,83 |
| 33,7 |
34,5 |
42 |
0,82 |
| 32 |
38 |
39 |
90 |
14 |
120 |
14 |
35 |
6 |
50 |
6 |
3 |
4 |
M 12 |
1,18 |
| 42,4 |
43,5 |
55 |
1,16 |
| 40 |
44,5 |
45,5 |
100 |
14 |
130 |
14 |
38 |
7 |
58 |
6 |
3 |
4 |
M 12 |
1,40 |
| 48,3 |
49,5 |
62 |
1,38 |
| 50 |
57 |
58 |
110 |
14 |
140 |
14 |
38 |
8 |
70 |
6 |
3,5 |
4 |
M 12 |
1,58 |
| 60,3 |
61,5 |
74 |
1,56 |
| 65 |
76,1 |
77 |
130 |
14 |
160 |
14 |
38 |
9 |
88 |
6 |
3,5 |
4 |
M 12 |
1,95 |
| 80 |
88,9 |
90 |
150 |
16 |
190 |
18 |
42 |
10 |
102 |
8 |
3,7 |
4 |
M 16 |
3,07 |
| 100 |
108 |
109 |
170 |
16 |
210 |
18 |
45 |
10 |
122 |
8 |
3,7 |
4** |
M 16 |
3,68 |
| 114,3 |
115,5 |
130 |
3,56 |
| 125 |
133 |
134 |
200 |
18 |
240 |
18 |
48 |
10 |
148 |
8 |
4 |
8 |
M 16 |
5,04 |
| 139,7 |
141 |
155 |
4,80 |
| 150 |
159 |
161 |
225 |
18 |
265 |
18 |
48 |
12 |
172 |
10 |
5 |
8 |
M 16 |
5,75 |
| 168,3 |
170,5 |
184 |
5,52 |
| 175 |
193,7 |
195,5 |
255 |
20 |
295 |
18 |
52 |
12 |
208 |
10 |
5 |
8 |
M 16 |
7,22 |
| 200 |
219,1 |
221 |
280 |
20 |
320 |
18 |
55 |
15 |
236 |
10 |
5 |
8 |
M 16 |
8,16 |
| 250 |
267 |
269 |
335 |
22 |
375 |
18 |
60 |
15 |
282 |
12 |
5,5 |
12 |
M 16 |
11,4 |
| 273 |
275 |
290 |
11,1 |
| 300 |
323,9 |
326 |
395 |
22 |
440 |
22 |
62 |
15 |
342 |
12 |
6 |
12 |
M 20 |
14,8 |
| 350 |
355,6 |
357,5 |
445 |
22 |
490 |
22 |
62 |
15 |
385 |
12 |
6,5 |
12 |
M 20 |
19,5 |
| 368 |
370 |
17,7 |
| 400 |
406,4 |
408,5 |
495 |
22 |
540 |
22 |
65 |
15 |
438 |
12 |
7 |
16 |
M 20 |
22,5 |
| 419 |
421 |
20,3 |
| 450 |
457,2 |
459 |
550 |
22 |
595 |
22 |
65 |
15 |
476 |
12 |
7,3 |
16 |
M 20 |
25,0 |
| 500 |
508 |
510 |
600 |
24 |
645 |
22 |
68 |
15 |
538 |
12 |
7,3 |
20 |
M 20 |
30,4 |
| 600 |
609,6 |
611,5 |
705 |
24 |
755 |
25 |
70 |
16 |
640 |
12 |
7,3 |
20 |
M 22 |
38,0 |
| 700 |
711,2 |
715 |
810 |
24 |
860 |
25 |
70 |
16 |
740 |
12 |
9 |
24 |
M 22 |
45,9 |
| 800 |
812,8 |
817 |
920 |
24 |
975 |
30 |
70 |
16 |
842 |
12 |
9 |
24 |
M 27 |
55,0 |
| 900 |
914,4 |
918 |
1020 |
26 |
1075 |
30 |
70 |
16 |
942 |
12 |
9 |
24 |
M 27 |
64,7 |
| 1000 |
1016 |
1020 |
1120 |
26 |
1175 |
30 |
70 |
16 |
1045 |
16 |
9 |
28 |
M 27 |
70,6 |
| 1200 |
1220 |
1224 |
1340 |
28 |
1405 |
33 |
90 |
20 |
1248 |
16 |
9 |
32 |
M 30 |
108 |
| 1400 |
1420 |
1424 |
1560 |
32 |
1630 |
36 |
90 |
20 |
1452 |
16 |
9 |
36 |
M 33 |
153 |
| 1600 |
1620 |
1624 |
1760 |
34 |
1830 |
36 |
90 |
20 |
1655 |
16 |
11 |
40 |
M 33 |
189 |
| 1800 |
1820 |
1824 |
1970 |
36 |
2045 |
39 |
100 |
20 |
1855 |
16 |
11 |
44 |
M 36 x 3 |
239 |
| 2000 |
2020 |
2024 |
2180 |
38 |
2265 |
42 |
110 |
25 |
2058 |
16 |
12 |
48 |
M 39 x 3 |
308 |
| * |
The weight is approximate and calculated on base 7.85 Kg/dm3 |
| ** |
For oil piping the flange should have 8 holes |
Main Export Market
- Eastern Europe
- North America
- Mid East/Africa
- Central/South America
- Asia
- Western Europe
- Australasia
- UAE
Sales Locations
U.A.E,
Oman,
Saudi Arabia,
Qatar,
Bahrain,
Egypt,
Turkey
Singapore,
Thailand,
Malaysia
Indonesia
Poland
Italy
Portugal
Spain
Brazil
Chile
Venezuela
Costa Rica
USA
Canada
Angola
Sri Lanka
Russia
|