Products / Stainless Steel / Stainless steel pipe fittings / Butt weld Reducing Tee
→ PRODUCTS
ISO 9001:2008 Certified
![]()
|
Pipe Tee is a type of pipe fitting which is T-shaped having two outlets, at 90° to the connection to the main line. It is a short piece of pipe with a lateral outlet. Pipe Tee is used to connect pipelines with a pipe at a right angle with the line. Size
Schedule Type Form Materials Brand Name Certification Minimum Order Quantity Packaging Details Delivery Time Payment Terms Supply Ability 1/2"NB TO 48"NB IN
SCH20, SCH30, SCH40, STD, SCH80, XS, SCH60, SCH80, SCH120, SCH140, SCH160, XXS Seamless / ERW / Welded / Fabricated Equal Tee, Reducing Tee, Barred Tee, Lateral Tee. Stainless Steel Equal Tee – SS Equal Tee ASTM A403 WP Gr. 304, 304H, 309, 310, 316, 316L, 317L, 321, 347, 904L SMT/Os-lok EN 10204 3.1/ EN 10204 3.2/ NACE MR 0175 l0 PCS / $ 1000 USD Bundles, seaworthy wooden cases.With or without edge protector, steel hoop and seals, or as per customer specification FROM STOCK/ TWO WEEKS T.T. / L.C 2000ton per month
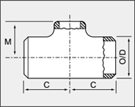
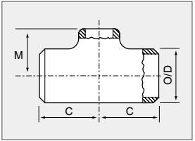
REDUCING TEES
Customers can avail Forged Reducing Tees, Reducing Tees Socket Weld, Reducing Tees Threaded, Seamless Reducing Tees, Welded Reducing Tees from us. Reducing tees are exactly that, all three ends are of the same size. Reducing tees come with a combination of different outlet sizes. Reducing Tees are used to connect the pipes of different diameters and change the direction of pipe flow. Materials: Carbon steel: Carbon steel: ASTM A234 WPB, WPC, ASTM A420 WPL1, WPL3, WPL6 and WPHY-42/46/52/56/60/65/70
|
|
|
||||||||||||||||||||||||



The reducing tee is
manufactured with the
branch outlet smaller than the
run to obtain the desired flow
and pressure through the
system.