ASME B16.11 / BS3799 Socket Weld Boss manufacturer & exporter


Products / Stainless Steel / Stainless steel pipe fittings / Stub Ends MSS Type A Sch. 40S

 

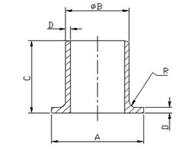
Stub Ends MSS Type A Sch. 40S

Butt weld Pipe Fittings -Stub Ends MSS Type A Sch. 40S

We are exporter & suppliers of Stub Ends MSS Type A Sch. 40S

Application:

Widely used in petroleum, chemical, power, gas, metallurgy, shipbuilding and construction industries

Size

Schedule


Type

Form

Materials


Brand Name

Certification

Minimum Order Quantity

Packaging Details


Delivery Time

Payment Terms

Supply Ability

1/8"NB TO 48"NB IN

SCH20, SCH30, SCH40, STD, SCH80, XS, SCH60, SCH80, SCH120, SCH140, SCH160, XXS

Seamless / ERW / Welded / Fabricated

Long Stubend & Short Stub end

Stainless Steel Long Stub end – SS Long Stub end
ASTM A403 WP Gr. 304, 304H, 309, 310, 316, 316L, 317L, 321, 347, 904L

SMT/Os-lok

EN 10204 3.1/ EN 10204 3.2/ NACE MR 0175

l0 PCS / $ 1000 USD

Bundles, seaworthy wooden cases.With or without edge protector, steel hoop and seals, or as per customer specification

FROM STOCK/ TWO WEEKS

T.T. / L.C

2000ton per month


 

   
     
Products
904L Grades
LTCS Grades